Convotherm 4 20.10 - Dimensions and connection points
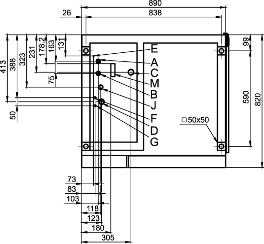
C4 20.10 EB/ES (right-hinged appliance door)
|
|
|

|

|
|
|
|

|
* Distance depends on how far the appliance feet are extended (max. +25 mm)
|
|
|
|

|
A
|
Water connection Soft water G 3/4''
|
B
|
Water connection Hard water G 3/4''
|
C
|
Drain connection DN 50
|
D
|
Electrical connection
|
E
|
Equipotential bonding
|
F
|
Rinse-aid connection (optional)
|
G
|
Cleaning-agent connection (optional)
|
H
|
Air vent ⌀ 50 mm
|
I
|
Ventilation port ⌀ 50 mm
|
M
|
Safety overflow 80 x 25 mm
|
|
C4 20.10 EB/ES (right-hinged appliance door / marine model)
|
|
|

|

|
|
|
|

|
* Distance depends on how far the appliance feet are extended (max. +25 mm)
|
|
|
|

|
A
|
Water connection Soft water G 3/4''
|
B
|
Water connection Hard water G 3/4''
|
C
|
Drain connection DN 50
|
D
|
Electrical connection
|
E
|
Equipotential bonding
|
F
|
Rinse-aid connection (optional)
|
G
|
Cleaning-agent connection (optional)
|
H
|
Air vent ⌀ 50 mm
|
I
|
Ventilation port ⌀ 50 mm
|
M
|
Safety overflow 80 x 25 mm
|
|
C4 20.10 EB/ES (disappearing door)
|
|
|

|

|
|
|
|

|
* Distance depends on how far the appliance feet are extended (max. +25 mm)
|
|
|
|

|
A
|
Water connection Soft water G 3/4''
|
B
|
Water connection Hard water G 3/4''
|
C
|
Drain connection DN 50
|
D
|
Electrical connection
|
E
|
Equipotential bonding
|
F
|
Rinse-aid connection (optional)
|
G
|
Cleaning-agent connection (optional)
|
H
|
Air vent ⌀ 50 mm
|
I
|
Ventilation port ⌀ 50 mm
|
M
|
Safety overflow 80 x 25 mm
|
|
C4 20.10 EB/ES (disappearing door / marine model)
|
|
|

|

|
|
|
|

|
* Distance depends on how far the appliance feet are extended (max. +25 mm)
|
|
|
|

|
A
|
Water connection Soft water G 3/4''
|
B
|
Water connection Hard water G 3/4''
|
C
|
Drain connection DN 50
|
D
|
Electrical connection
|
E
|
Equipotential bonding
|
F
|
Rinse-aid connection (optional)
|
G
|
Cleaning-agent connection (optional)
|
H
|
Air vent ⌀ 50 mm
|
I
|
Ventilation port ⌀ 50 mm
|
M
|
Safety overflow 80 x 25 mm
|
|
C4 20.10 GB (right-hinged appliance door)
|
|
|

|

|
|
|
|

|
* Distance depends on how far the appliance feet are extended (max. +25 mm)
|
|
|
|

|
A
|
Water connection Soft water G 3/4''
|
B
|
Water connection Hard water G 3/4''
|
C
|
Drain connection DN 50
|
D
|
Electrical connection
|
E
|
Equipotential bonding
|
F
|
Rinse-aid connection (optional)
|
G
|
Cleaning-agent connection (optional)
|
H
|
Air vent ⌀ 50 mm
|
I
|
Ventilation port ⌀ 50 mm
|
J
|
Gas connection
|
K
|
Exhaust outlet for convection burner ⌀ 50 mm
|
L
|
Exhaust outlet for boiler burner ⌀ 60.3 mm
|
M
|
Safety overflow 80 x 25 mm
|
|
C4 20.10 GB (disappearing door)
|
|
|

|

|
|
|
|

|
* Distance depends on how far the appliance feet are extended (max. +25 mm)
|
|
|
|

|
A
|
Water connection Soft water G 3/4''
|
B
|
Water connection Hard water G 3/4''
|
C
|
Drain connection DN 50
|
D
|
Electrical connection
|
E
|
Equipotential bonding
|
F
|
Rinse-aid connection (optional)
|
G
|
Cleaning-agent connection (optional)
|
H
|
Air vent ⌀ 50 mm
|
I
|
Ventilation port ⌀ 50 mm
|
J
|
Gas connection
|
K
|
Exhaust outlet for convection burner ⌀ 50 mm
|
L
|
Exhaust outlet for boiler burner ⌀ 60.3 mm
|
M
|
Safety overflow 80 x 25 mm
|
|
C4 20.10 GS (right-hinged appliance door)
|
|
|

|

|
|
|
|

|
* Distance depends on how far the appliance feet are extended (max. +25 mm)
|
|
|
|

|
A
|
Water connection Soft water G 3/4''
|
B
|
Water connection Hard water G 3/4''
|
C
|
Drain connection DN 50
|
D
|
Electrical connection
|
E
|
Equipotential bonding
|
F
|
Rinse-aid connection (optional)
|
G
|
Cleaning-agent connection (optional)
|
H
|
Air vent ⌀ 50 mm
|
I
|
Ventilation port ⌀ 50 mm
|
J
|
Gas connection
|
K
|
Exhaust outlet ⌀ 50 mm
|
M
|
Safety overflow 80 x 25 mm
|
|
C4 20.10 GS (disappearing door)
|
|
|

|

|
|
|
|

|
* Distance depends on how far the appliance feet are extended (max. +25 mm)
|
|
|
|

|
A
|
Water connection Soft water G 3/4''
|
B
|
Water connection Hard water G 3/4''
|
C
|
Drain connection DN 50
|
D
|
Electrical connection
|
E
|
Equipotential bonding
|
F
|
Rinse-aid connection (optional)
|
G
|
Cleaning-agent connection (optional)
|
H
|
Air vent ⌀ 50 mm
|
I
|
Ventilation port ⌀ 50 mm
|
J
|
Gas connection
|
K
|
Exhaust outlet ⌀ 50 mm
|
M
|
Safety overflow 80 x 25 mm
|
|